【產品用途】
H44H、H44Y型PN16~PN250旋啟式止回閥適用于壓力1.6~25MPa工作溫度-29~+550℃ 的石油、化工、制藥、化肥、電力行業等各種工況的管路上,適用介質為水、油品、蒸汽、酸性介質等。
【產品特點】
H44H、H44Y型旋啟式止回閥是靠管路中介質本身的流動產生的力而自動開啟和關閉的,屬于一種自動閥門。止回閥用于管路系統,其主要作用是防止介質倒流、防止泵及其驅動電機機反轉,以及容器內介質的泄放。止回閥還可用于給其中的壓力可能升至超過主系統壓力的輔助系統提供補給的管路上。
【性能參數】
型號
|
H44H-16C~250
|
H44W-16P~250
|
工作壓力(MPa)
|
1.6~25
|
適用溫度(℃)
|
≤425
|
≤550
|
適用介質
|
水、蒸汽、油品
|
弱腐蝕性介質
|
材料
|
閥體、閥蓋、閥瓣
|
碳素鋼
|
鉻鎳鈦不銹鋼
|
密封面
|
碳鋼堆焊鐵基合金
|
本體密封
|
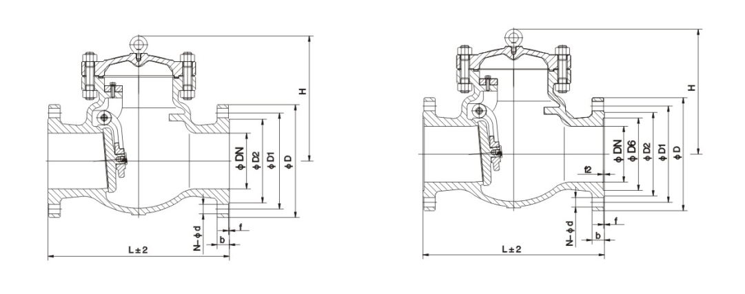
【主要外形和連接尺寸】
公稱通徑DN
|
主要外形尺寸和連接尺寸
|
L
|
D
|
D1
|
D2
|
b
|
Z-d
|
H
|
H44H-16C H44W-16C H44W-16P H44W-16R
H44W-16I
|
25
|
160
|
115
|
85
|
65
|
16
|
4-14
|
100
|
32
|
180
|
135
|
100
|
78
|
16
|
4-18
|
105
|
40
|
200
|
145
|
100
|
85
|
16
|
4-18
|
115
|
50
|
230
|
160
|
125
|
100
|
16
|
4-18
|
135
|
65
|
290
|
180
|
145
|
120
|
18
|
4-18
|
142
|
80
|
310
|
195
|
160
|
135
|
20
|
8-18
|
165
|
100
|
350
|
215
|
180
|
155
|
20
|
8-18
|
180
|
125
|
400
|
245
|
210
|
185
|
22
|
8-18
|
210
|
150
|
480
|
280
|
240
|
210
|
24
|
8-23
|
233
|
200
|
500
|
335
|
295
|
265
|
26
|
12-23
|
304
|
250
|
550
|
405
|
355
|
320
|
30
|
12-25
|
348
|
300
|
650
|
460
|
410
|
375
|
30
|
12-25
|
390
|
350
|
750
|
520
|
470
|
435
|
34
|
16-25
|
430
|
400
|
850
|
580
|
525
|
485
|
36
|
16-30
|
468
|
H44H-25 H44W-25 H44W-25P H44W-25R
H44W-25I
|
25
|
160
|
115
|
85
|
65
|
16
|
4-14
|
100
|
32
|
180
|
135
|
100
|
78
|
16
|
4-18
|
105
|
40
|
200
|
145
|
110
|
85
|
16
|
4-18
|
115
|
50
|
230
|
160
|
125
|
100
|
20
|
4-18
|
160
|
65
|
290
|
180
|
145
|
120
|
22
|
8-18
|
175
|
80
|
310
|
195
|
160
|
135
|
22
|
8-18
|
185
|
100
|
350
|
230
|
190
|
160
|
24
|
8-23
|
220
|
125
|
400
|
270
|
220
|
188
|
28
|
8-25
|
248
|
150
|
480
|
300
|
250
|
218
|
30
|
8-25
|
276
|
200
|
550
|
360
|
310
|
278
|
34
|
12-25
|
350
|
250
|
650
|
425
|
370
|
332
|
36
|
12-30
|
410
|
300
|
750
|
485
|
430
|
390
|
40
|
16-30
|
430
|
350
|
850
|
550
|
490
|
448
|
44
|
16-34
|
518
|
400
|
950
|
610
|
550
|
505
|
48
|
16-34
|
560
|
【結構圖片】
